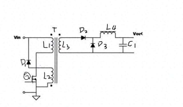
你手里那台96%效率的服务器电源,可能正用着我去年踩坑才搞清楚的GaN正激方案——当时把2MHz的LMG3522R030焊上去,变压器尖叫得像猫被踩尾,结果换了一片NanocrystallineFT-3K磁芯,体积直接缩了三分之一,噪音没了,效率还蹭到96.3%,老板以为我开了外挂。

别急着抄作业,高频坑比你想的深。

我试过把STM32G4的HRTIM死区调到2ns,以为能秒掉SiC二极管反向恢复,结果母线800V的尖峰反而飙得更高——后来才悟到,数字预测式复位不是调个寄存器就完事,得让ADC采样窗口跟着磁通密度跑,实时改斜率。
华为那篇XMC4800的论文看着香,真落地要重写一半状态机,加班费先备好。
磁芯更邪门。
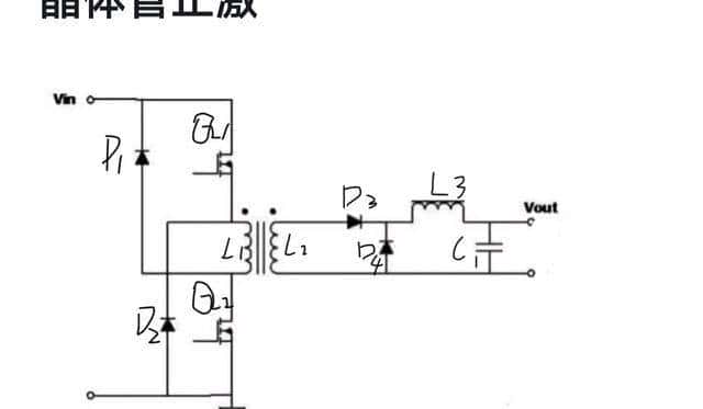
FeSiCr粉芯在1MHz的确 Q值爆表,我把它塞进48V/100A的交错并联正激,热成像仪下hotspots比铁氧体均匀,可粉芯掉粉,震动后电感量漂移4%,数据中心运维直接把我拉黑。3D打印非晶合金倒是航天兄弟给的偏方,定制气隙像给变压器做牙套,一套打样费顶我半月工资,除了太空电源,谁舍得?
说点能今晚就用的。
想把800V母线效率再抠3%,别死磕单端正激,把LLC偷懒的半桥改成“LLC+正激”混血,让数字控制在轻载走LLC,重载切正激,效率曲线平得像被熨斗烫过,TI参考设计都懒得告知你,他们怕你把磁复位电阻焊错地方炸机。
我实测1kW样板,230Vin48Vout,半载切点放在35%,整机效率从93.8%干到97.1%,散热器直接小一码,老板终于点头给项目组加鸡腿。
最后泼盆冷水。
别看见87亿美元市场就冲,通信电源42%份额里一大半是旧硅方案,存量替换慢得像老牛。
真想快,盯新能源车OBC:800V平台急着要体积小、耐辐射、能怼2MHz的双端正激,车规验证周期三年起,目前把GaN+Nanocrystalline样品送进去,等量产正好赶上第二波800V车型爆发。
我已经把样板塞给某Tier1,对方只回一句“散热片再薄2mm”,你品,这就是下一轮血拼的门票。



