- 硬件介绍:
- 西门子S7-200SMART ST40一台;

- 西门子V20变频器一台;

- 电机一台;
- 若干快接插头;
- MCGS触摸屏1台:TCP7062Ti;
- 串口通信线标准接口2个。
- 通讯接口
1. S7-200 SMART CPU 集成的 RS485 通信端口(端口0)是与 RS485 兼容的9针 D 型连接器。CPU 集成的 RS485 通信端口的引脚分配如表1. S7-200 SMART CPU 集成 RS485 端口的引脚分配表所示,我们需要把连接器的引脚标号8 RS-485信号A和引脚标号3 RS-485信号B引出。

说明:RS485 是双绞线A和B。一般是3-A,8-B,公头母头都是如此,通信双方接线直连,A接A,B接B,RS485是半双工。
2.西门子V20变频器本体带有RS-485通讯接口,其中P+接RS-485信号A,N-接RS-485信号B。

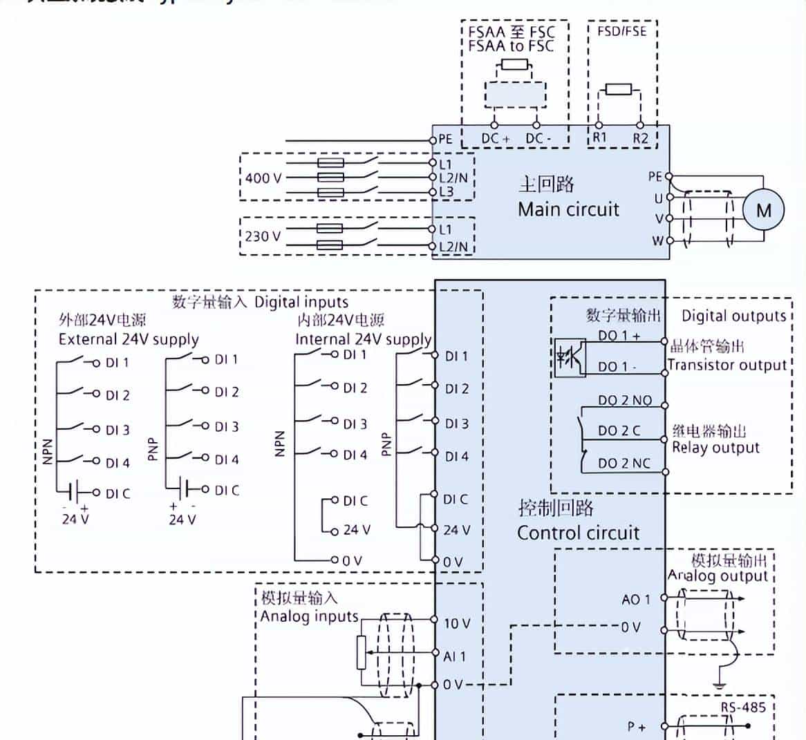
- 硬件连接
(1)根据西门子S7-200SMART和西门子V20变频器的接线图进行接线,在此V20变频器使用的是L1、L2/N,电机连接U、V、W。
(2)通讯网络

在这里的演示的方式接线如下:


- 电机变频参数设置
通电V20变频器后对变频器进行参数设置,具体参数如下:
- P0010=30、P970=1进行恢复出厂设置;
- P0003=3(专家级权限);
- P0100=0(功率单位,KW);
- P0304=400(电机额定电压,单位V)
- P0305=电机的额定电流,单位A;
- P0307=电机的额定功率,单位KW;
- P0311=电机的额定转速,单位r/min;
- P0700=启动命令,通讯调速设置为5;
- P1000=频率来源于通讯,设置为5;
- P1080=0,设置启动的最小频率;
- P1082=0,设置启动的最大频率;
- P1120=0,设置加速时间;
- P1121=0,设置减速时间;
- P2023=1,表明USS协议;
- P2010=6,USS通讯波特率设为:9600;
- P2011=1,USS从站地址;
- P2012=2,表明报文长度;
- P2013=127;
- P2014=0;表明通讯报文中断
- 西门子S7-200SMART 编程
(1)进入系统块设置RS485顿口,地址设置为:2波特率设置为:9.6Kbps。

(2)在指令库中找到USS 协议指令

USS_INT指令介绍:
USS_INT指令用于启用和初始化或禁用 Siemens 变频器通信。 在使用任何其它 USS 指令之前,必须执行 USS_INIT 指令且无错。 该指令完成后,立即置位“完成”(Done) 位,然后继续执行下一条指令。

Mode:此值用于选择通信协议:输入值为 1 时,将端口分配给 USS 协议并启用该协议。输入值为 0 时,将端口分配给 PPI 协议并禁用 USS 协议。
Baud:将波特率设置为 1200、2400、4800、9600、19200、38400、57600 或 115200。
Port:设置物理通信端口(0 = CPU 中集成的 RS485,1 = 可选 CM01 信号板上的 RS485 或 RS232)。
Active: 示激活的变频器。 有些变频器仅支持地址 0 至 30。
USS_CTRL 指令:
USS_CTRL 指令用于控制激活的 Siemens 变频器。 USS_CTRL 指令将所选命令放置到通信缓冲区中,如果已在 USS_INIT 指令的“激活”(Active) 参数中选择变频器,该命令随后将发送到这一被寻址的变频器(“变频器”参数)。

RUN :
RUN (RUN/STOP) 指示变频器是接通 (1) 还是关闭 (0)。 当“运行”(RUN) 位接通时,变频器收到一条命令,以指定速度和方向开始运行。 为使变频器运行,必须符合以下条件:
- 变频器在 USS_INIT 中必须选为“激活”(Active)。
- “OFF2”和“OFF3”必须设置为 0。
- “故障”(Fault) 和“禁止”(Inhibit) 必须为 0。
当“RUN”关闭时,会向变频器发送一条命令,将速度降低,直至电机停止:
- “OFF2”位用于允许变频器自然停止。
- “OFF3”位用于命令变频器快速停止。
F_ACK(故障确认):确认变频器发生故障的位。 当“F_ACK”从 0 变为 1 时,变频器将清除故障(“故障”(Fault) 位)。
DIR(方向):指示变频器移动方向的位。
Drive(驱动器地址):表明接收 USS_CTRL 命令的变频器地址的输入。 有效地址: 0 到 31
Type(驱动器类型):选择变频器类型的输入。
Speed_SP(速度设定值):变频器速度,该速度是全速的一个百分数。
(3)程序

Mode:设置为1,USS通讯必须填写;
Baud:9600,USS通讯波特率与变频器设置一致;
Port:设置为0,使用S7-200smart PLC本体的通讯口,集成为:0 ,扩展信号板则设置为1;
Active:设置为16#02,与变频器的地址设置需一致;

频率给定:VD1000变量为上位机HMI给定的频率:

M20.0为上位机HMI的正转启动按钮,使M10.0变量为1的状态,电机及能够正常运行(需给定运行频率);M10.1则进行自由停车,M10.0变量为0的状态,电机停止运行。
M20.1为上位机HMI的反转启动按钮,使M10.4变量为1的状态,电机及能够反转运行(需给定运行频率);

- 上位机(HMI)
(1)选择设备窗口,选择西门子_Smart200驱动。

(2)设置本地IP地址,在此本机使用的IP地址为:192.168.2.4,远端(S7-200SMART PLC)IP地址为:192.168.2.3。

(3)简单的进行绘制窗口中的正转启动按钮(PLC中相应的变量为M20.0);反转启动按钮(PLC中相应的变量为M20.1);停止运行按钮(PLC中相应的变量为M10.1);输入框则是设置电机运行频率设置(PLC中相应的变量为VD1000)

(4)在此演示的上位机情况:


好辛苦👍
收藏了,感谢分享