
以太网网口需要加入“网络变压器”(Ethernet Magnetics)的缘由超级核心,它不是传统意义上用来升压或降压,而是满足以太网高速通信和安全规范的关键器件。
1. 最重大:电气隔离(Galvanic Isolation)
IEEE 802.3 强制要求PHY 与外部网线之间保持1500Vrms~2250Vrms的隔离。
为什么要隔离?
-
不同设备之间地电位不同(可能差几十伏)
-
网线很长,容易引入雷击浪涌、电磁脉冲、ESD
-
防止外部高压瞬间击穿 PHY 或主板
-
保护用户与设备安全
如果整个通路上都是实用变压器,而你不选择,那么能量会向水一样涌向更低的区域,更容易“流淌”的区域。必定从堤坝的决堤口流出。

“如果每家都在门前拦起来大坝,用于防止浪涌,就你家大门常打开,你怕不怕?”



2. 共模噪声抑制(EMI / EMC)
网络变压器里不仅有隔离绕组,还一般集成:
-
共模扼流圈(Common Mode Choke)
-
EMI 滤波元素
它们能抑制:
Bob Smith电路
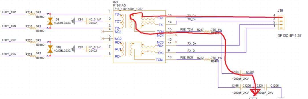
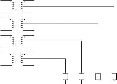
Bob Smith电路是Bob Smith在1994年申请的一个专利电路,其作用是实现阻抗匹配,减小干扰以获得更好的EMC性能。其电路一般为在各变压器中心抽头接一个75Ω的电阻,再通过2kV电容接地(防雷作用)。其电路如图所示:

这里存在一个问题,一般的差分线以及双绞线的特征阻抗为100Ω左右,75Ω的阻值与其并不相匹配,那么这里的电阻取值是否合理呢?要解答这个问题,第一要明确的是Bob Smith电路要解决的并不是同一条双绞线的阻抗匹配问题,而是不同双绞线之间的阻抗匹配,要抑制的是线间的共模干扰。网线的线缆位置与阻抗模型如图所示,线间的共模干扰分为单对线与单对线的干扰,单对线与两对线之间的干扰,单对线与三对线之间的干扰以及两对线与两对线之间的干扰,在Bob Smith电路中,其假定线缆的共模阻抗值为145Ω,由此得到匹配电阻为75Ω左右。

但是有相关资料对该阻值提出了质疑,Bob Smith Termination vs Proper Termination根据图的方式测定了不同情况下网线之间的共模阻抗,并以此列出对应的方程进行求解,得到对于5类及超5类网线来说,52.3Ω的电阻相较于75Ω更为合适。实际上,不同网线所用的材质不尽一样,其中又有屏蔽双绞线和非屏蔽双绞线的区分,Bob smith电路的电阻的取值的确不能一成不变,应该按实际进行调整。

另外,Bob Smith电路还有抑制电磁干扰(可以提供约10dB左右的EMI衰减的效果)、在共模干扰(如雷击)等场景下提供共模泄放回路的作用,对网口的共模防护能力有所提升,不过这也要求在Bob Smith电路中要选用封装较大的电阻、电容,以满足防雷要求。
3. 实现 AC 耦合,允许两端 DC 偏置不同
PHY 发出的差分信号携带自己的一组直流偏置,而交换机/路由器的 PHY 偏置值不同。
网络变压器的作用:
这让每个设备的 PHY 可以独立设置参考电平,不会相互干扰。
4. 阻抗匹配(100Ω)确保信号完整性
以太网要求差分线对特性阻抗为 100Ω。
网络变压器协助:
尤其 1000BASE-T 需要多绕组与准确匹配。
5. 支持 PoE(Power over Ethernet)供电
这一点,是“马后炮”。先有以太网,后有以太网供电。当初定义以太网的时候,应该没有先定义PoE。
PoE 会在网线上加上 48V 电源。
网络磁性器件作用:
-
把高压从 PHY 信号通道中隔离
-
允许 PoE 电源供电而不伤害芯片


我家是光纤只有路由器出来到电脑那几米是网线我需要装这个嘛?
现在没有了
应该也有阻抗匹配作用吧
既然有了隔离变压器在里面,那么是不是就不会出现多设备使用一个UPS导致同一电源下的干扰问题。
网络变压器还是比较神奇,能把信号在网线上传输几十米甚至上百米,而另一端还能正常接受。
那一年打雷,几十米外的几个宽带箱子都坏了,然后是五十多米到我家路由器,最好击穿了主板网口,但主板还运行了几年
这玩意儿本地电子厂就是做这个的
隔离耦合,把外部的高压隔离掉
可以隔绝直流
妙笔生花🌹
收藏了,感谢分享