一、编制依据
(1) xx施工图纸
(2) xx地质勘察报告
(3) xx现场实际开挖踏勘情况
(4)《建筑地基基础设计规范》GB50007-2011
(5)《建筑地基基础施工质量验收规范》GB50202-2002
(6)《建筑桩基技术规范》JGJ94-2008
(7)《建筑基桩检测技术规范》JGJ106-2014
(8)《大直径扩底灌注桩技术规程》JGJ/T225-2010
(9)《建筑施工安全检查标准》JGJ59-2011
(10)《建筑机械使用安全技术规程》JGJ33-2012
(11)《施工现场临时用电安全技术规范》JGJ46-2012
(12)《建筑工程绿色施工规范》GB/T50905-2014
二、工程概况
2.1 相关单位
建设单位:xx建设发展有限公司
设计单位:xx建筑设计研究院有限公司
勘察单位:xx勘察设计有限公司
监理单位:xx工程管理有限公司
总包单位:xx建筑工程有限公司
分包单位:xx地基工程有限公司
2.2 建筑概况
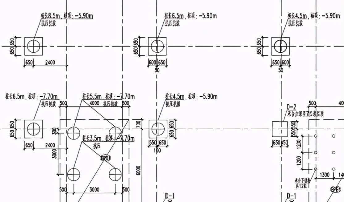
xx项目地下室基础西北处楼梯坑及周边采用人工挖孔桩(抗压、抗压抗拔),共9根,桩身直径均为900mm。共6种规格(见图1):桩长8.5m,桩顶-5.90m(1根);桩长6.5m,桩顶-5.90m(1根);桩长4.5m,桩顶-5.90m(2根);桩长6.5m,桩顶-7.70m(1根);桩长5.5m,桩顶-7.70m(2根);桩长3.5m,桩顶-7.70m(2根)。人工挖孔桩以7层石灰岩作为桩端持力层,桩端进入持力层深度不小于500mm;桩长见图2所示,所注持力层和桩长为根据地勘报告的推定值,若实际桩端持力层与设计不符,应报设计复核后方可施工;桩长仅供工程量估算,以入岩深度控制桩长;桩基抗压承载力特征值为5000kN,抗拔承载力特征值为250kN。桩混凝土强度等级为C40,保护层厚度50mm。人工挖孔桩护壁采用钢筋混凝土护壁(见图3),护壁混凝土强度等级为C30。工程桩桩身完整性检测方法采用低应变法和声波透析法,低应变法检测数量100%(9根),声波透射法检测数量100%(9根),工程桩采用静载实验进行承载力检测,数量为3根。地基基础设计等级为丙级,桩身设计等级为丙级。
图1 人工挖孔桩规格图

图2 桩身详图

图3 钢筋混凝土护壁

2.3 地质概况
根据建设单位提供的《xx岩土工程(详细)勘察报告》得知,拟建场区大地构造位置处于下扬子台坳南缘xx-xx中段凸起东部,场地均为低山、残丘组成,地形起伏大,自然坡度一般30度左右或更甚。山体上部分地段基岩完全裸露,部分地段表层为粘性土混碎石等,土层松散,易水土流失。场地原始地貌属于低山丘陵地貌单元。
2.4 现场概况
现场施工工作面周边已做好护坡保护,施工土质为粘性土,土层松散,楼梯坑深3m左右,楼梯坑周边场地平整。
三、施工准备
3.1 施工前准备工作
(1)完成施工现场的平面布置,进行图纸审核,确保标高设计合理、尺寸无误;
(2)基础轴线尺寸、基底标高和地质情况均应经过复核;
(3)利用水准仪和全站仪将标高和控制线引测到坑底;
(4)水电引入施工现场;
(5)安排人员作好现场保卫工作;
(6)机具、人员进场;
(7)钢筋、水泥进场;
(8)设备调试和检验;
(9)做好场地内排水措施;
(10)开工前进行施工技术交底和安全教育。
3.2 施工安排
根据现场的实际情况,人工挖孔桩在基底土层上施工,底部在岩石上施工。为了保证施工不间断,在甲方和监理确认现场工作面及桩孔位置后,根据设计图纸和施工图立即组织施工。正式施工时,采用人工挖孔桩施工工艺并结合现场实际情况进行。在施工过程中,必须详细的做好施工记录。待人工挖孔桩施工完成后,进行桩身完整性检测及工程桩静载实验。
3.3 人工挖孔桩简述
(1)桩长度:底部锚入7层石灰岩的深度500mm,顶部到设计要求;
(2)桩身直径:900mm;
(3)桩身钢筋:纵向主筋12C20,螺旋筋A10@100(外圈),加强箍筋C12@1000(内圈)与主筋焊接,井字加强支撑筋C12@1000与加强箍筋焊接;
(4)桩身混凝土:C40,保护层厚度50mm;
(5)总根数:9根;
(6)护壁钢筋:双向A8@150;
(7)护壁混凝土:C30。
3.4 主要施工机具配置
|
序号 |
机具名称 |
型号 |
单位 |
数量 |
备注 |
|
1 |
卷扬机 |
/ |
台 |
1 |
垂直运输 |
|
2 |
空压机 |
/ |
台 |
1 |
挖孔 |
|
3 |
风镐 |
/ |
台 |
2 |
|
|
4 |
水磨钻 |
/ |
台 |
2 |
|
|
5 |
铁皮模具 |
/ |
个 |
9 |
护壁支模 |
|
6 |
振捣棒 |
/ |
台 |
1 |
振捣密实 |
|
7 |
弯曲机 |
/ |
台 |
2 |
钢筋加工 |
|
8 |
电焊机 |
/ |
台 |
4 |
|
|
9 |
全站仪 |
/ |
台 |
1 |
投测轴线 |
|
10 |
水准仪 |
/ |
台 |
1 |
放线 |
|
11 |
棱镜 |
/ |
个 |
1 |
|
|
12 |
喷漆 |
/ |
瓶 |
若干 |
|
|
13 |
对讲机 |
/ |
台 |
若干 |
|
|
14 |
50m钢卷尺 |
/ |
把 |
1 |
测距 |
|
15 |
10m/5m钢卷尺 |
/ |
把 |
若干 |
|
|
16 |
塔吊 |
/ |
台 |
1 |
运土、吊钢筋笼 |
四、人工挖孔桩施工
4.1 施工流程

4.2 施工工艺
1、放线定位
(1)按施工平面布置图放线定孔位,做好标记和预检;
(2)孔位误差控制在规范要求之内;
(3)监理复核孔位线,确认无误方可施工。
2、安装提升设备
(1)提升设备安装要满足安全使用要求,压载物要求安装稳固,确保使用安全可靠;
(2)由现场专职安全人员负责检查验收;
(3)合格后报请监理查验。
3、人工挖孔
(1)人工挖孔桩开挖采用“挖-护-挖-护”循环的方式进行;
(2)在开挖时,一般土层中每节高度按1m控制;
(3)开挖时采用短把镐、锨等简单工具,遇到比较硬的岩石时,采用风镐破除开挖;
(4)入岩施工时,采用水磨钻成孔;
(5)桩孔土体、模板、钢筋及相关工具全部采用并卷扬机垂直运送。
4、安装护壁钢筋
(1)在开挖完一段后,及时安放护壁钢筋(注意与上节竖向钢筋连接);
(2)安装第一节护壁钢筋时注意孔口钢筋预埋,作为悬挂上下软梯的稳固钢筋。
5、支护壁模板
(1)护壁采用钢模板,护壁模板设计加工时要以能方便拆除、强度、刚度满足要求的前提下重量轻为原则;
(2)支立模板时,要保证模板内口的最小尺寸不小于设计桩径要求;
(3)模板安装完毕后,挂线检查模板上口、下口中心位置是否和桩位中心位置同心,以保证桩孔垂直度和桩位偏心满足设计及规范要求;
(4)待监理验收合格后方可进行护壁砼浇筑工序。
6、护壁混凝土浇筑
(1)浇筑护壁砼前必须重新用十字线定位,检查桩位中心位置偏位情况是否满足设计及规范要求,合格后,才能开始浇筑护壁砼;
(2)护壁砼采用C30砼浇筑;
(3)第一、二节采用溜槽浇筑,从第三节以下均用吊桶输送,人工浇灌;
(4)护壁砼的振捣方式:采取小型振捣棒振捣完成,必须保证护壁砼振捣密实。
7、桩孔验槽
(1)当桩挖至设计标高后应由工勘单位、监理、施工一起对每个桩进行验槽;
(2)确认无岩溶等不良地质条件、持力层岩性、进入持力层的深度;
(3)清除护壁上的泥土和孔底残渣、积水,并进行隐蔽工程验收;
(4)验收合格后立即浇筑200mm厚C30混凝土封底和桩身混凝土,不得耽搁。
8、钢筋加工及安装
(1)钢筋制作:钢筋必须按照设计图纸进行制作,并符合规范要求,应防止钢筋弯曲变形。锚筋长度应计算准确下料,为确保孔内浆液饱满,孔内无积渣,在桩纵筋上焊接定位架,以确保钢筋保护层的厚度。
(2)钢筋吊装入孔:采用塔吊吊装的方式(注意吊运过程中人员安全)将钢筋对正桩孔中心放置。
9、混凝土浇筑
(1)采用泵送方法浇筑C40混凝土;
(2)让砼自由坠落,同时振捣。
4.3 施工注意事项
(1)每节桩孔护壁做好后来,将桩位轴线、标高设在第一节护壁上口,然后用十字线对中,吊线坠向井底检查孔壁的垂直度,随之进行修整。孔深必须以水准点为依据引测到第一节砼护壁上,以确保桩孔轴线位置、标高、截面尺寸满足设计与规范要求;
(2)成孔后来将桩身直径、孔底标高、桩位中心线、井壁垂直度等进行检测,并做好记录,报监理检验合格后方可进入下道工序施工;
(3)护壁砼均在当日连续施工完毕,并用小型振捣棒插捣密实,在土层较弱或有渗水情况的土层均使用速凝剂;
(4)当两孔距离较近时,应先挖较深的桩,保证两桩低的高差不大于两桩净距,后挖桩须待先挖桩的桩身混凝土强度达到50%以上时,方可施工;
(5)发现护壁有蜂窝、渗水现象时,及时补强加以堵塞或导流,防止孔外水通过护壁冲刷孔壁,造成塌孔事故;
(6)桩孔水淹没模板的情况下绝对不允许灌注护壁砼;
(7)挖孔桩完成后,应进行孔底处理,做到孔底表面无松渣、泥、沉淀土。
五、安全施工方案
1、交底与培训
对管理人员、班组、操作人员都要进行全面的、具有针对性的安全技术交底。内容包括安全防护措施、安全操作规程、安全注意事项。对作业人员进行全面的安全技术交底,告知他们在作业时存在的危险和规避危险方法和措施,并告知他们有权在防护措施和监控措施不到位时拒绝作业。
2、施工要求
(1)为防止作业人员上下孔时坠落,应配置适用和可靠的升降设备。井孔内设置应急时使用的安全绳和软爬梯。作业人员使用软爬梯上下孔,严禁用其他方式上下孔。施工现场的机具设备的拆除和安装必须有专职人员操作、维修。
(2)为防止物体打击,孔内作业人员必定要戴好安全帽,弃土和工具等放置在井圈外,挖出的土方应及时运离孔口,不得堆放在孔口四周2m范围内,施工前对卷扬机和钢丝绳进行检查,确定其安全起吊能力后方可投入运行。施工中应随时检查垂直运输设备的完好情况和孔壁情况。
(3)为防止作业人员孔中毒和窒息,地下特殊地层中往往含有CO、SO2、H2S或其他有毒气体,故每次下孔前,必须对孔内空气进行活物试验,随时配备空压机和足够到井底的通风管。根据监测的结果和孔底作业人员的需要,随时向孔内通风换气,复工前还应向桩孔内由下而上吹风半小时。
(4)施工中电源为发电机供电时。为防止作业人员触电,施工现场的一切电源、电路的安装和拆除必须要持证电工操作,用电设备必须严格接地或接零保护且安装漏电保护器,各桩孔用电以及水泵用电必须分闸,严禁一闸多用。孔内电缆、电线必须采用护套等有防磨损、防潮、防断等保护措施,孔内照明应采用安全矿灯或12V以下的安全灯,孔中操作工应手戴工作手套、脚穿绝缘胶鞋;
3、雨季施工、地表水防护措施
(1)建立雨季值班制度,同气象部门建立合作关系,指定一名技术人员收听并做好气象预报记录,及时组织汛期检查。
(2)工具材料应妥善保管,袋装水泥、木构件在仓库存放,地材放在高处,防止水冲流失,钢筋、模板架空堆放。
(3)修整道路及排水设施,做到路基坚实、路面平整,保证道路、排水管道畅通,雨后不漏、不陷、不积水。
(4)做好排水设施,避免由于地表水及雨水流入孔内。
4、安全保障措施
(1)开挖前应平整孔口,并做好施工区的地表截、排水及防渗工作。挖孔时采取间隔的方式开挖施工,按由浅至深、由两侧向中间的施工顺序施工。
(2)孔深挖至超过挖孔人身高时,在桩孔口设半圆形护板,并随着孔深增加而往作业面下吊运工具或吊桶时,孔下作业人员应避于护板下。
(3)桩孔每挖深1.0m,马上进行四周护壁,坚决杜绝只挖不护壁现象。
(4)当孔深大于5m以上时,开始用空压机等通风设备向孔内通风,加强空气对流,防止有毒气体危害。挖孔操作时,上下人员轮换岗位时将密切注意观察桩孔下人员情况,预防安全事故发生。
(5)当地下水量不大时,随挖随将泥水用吊桶运出,地下渗水量较大时,吊桶满足不了排水,将先在桩孔底挖集水坑,用高压水泵抽水,抽水时,作业人员离开井孔,绝不允许人机同坑作业,并随时观察井壁变化,遇到险情,全部人员立即撤离井孔。
(6)孔内人工凿岩或空压机带风镐凿岩时,作业人员戴防尘口罩。
(7)确保垂直起重设备支架牢固,在承受必定的冲击力下不至于翻倒,垂直起重设备在检验合格后,方才投入使用。
(8)每天早上上班挖孔前,一律要求先向孔内通风,以排除有害气体,确保孔内氧气充足。
(9)孔内有重物起吊时应有联系信号,统一指挥。升降设施应由专人操作。孔内人员不许超过2人。
(10)相邻两孔中,一孔进行浇注砼时,另一孔的挖孔人员应停止作业,并撤出井孔。
(11)凡孔内有人作业时,3m以内不得有机动车辆行驶或停放;孔内人员作业时,孔上必须有监护人员,并要随时与孔下人员保持联系,不得擅自撤离岗位。
六、质量保证措施
(1)施工前认真做好图纸自审与会审,充分理解设计意图,逐级进行技术交底,严格按设计图、相关的技术规范及操作规程要求进行施工。技术人员深入现场精心指导,质检人员准确检测、严格把关。
(2)严格施工过程检测验收制度。采用三检制,严把施工过程关,特别是做好隐蔽工程的检查工作。
(3)贯彻“谁管生产,谁管质量;谁施工,谁负责质量;谁操作,谁保证质量”的原则,层层签定质量责任书。
(4)工序过程实行严格的“三检”制。上道工序不合格,不准进入下道工序,并在施工中随时接受业主及监理工程师的监督、检查。
(5)隐蔽工程检查签证制。凡属隐蔽工程项目,第一由班、队质检员和项目质检工程师逐级进行自检,自检合格后,应会同监理工程师复检,检查结果填入验收表格,由双方签字。
七、文明施工及环境保护
7.1 文明施工
(1)工地的文明施工全面部署,现场按规定要求,设置安全宣传标语和警告牌。对全体参与施工人员进行教育,提高文明施工意识。
(2)按“谁施工,谁负责”的原则,实行统一领导,分工负责的办法,按照施工总平面布置,划分文明施工责任区,指定区域负责人,把文明施工管理责任落实到人。
(3)施工现场道路畅通、平坦、整洁、排水畅通。
(4)材料、构件严格按计划分批进场,分类、分型、分规格划区挂牌堆放整齐。
(5)加强施工人员文明施工意识,组织学习文明施工条例及有关常识,进行上岗教育,讲职业道德、扬行业新风。
(6)现场车辆环保措施,工地大门口设置定点洗车池或洗车点清洗进出车辆,大门内外设专人负责马路清扫工作,及时将遗洒的泥土杂物清除;车辆出场前经清洗后方可行驶出场。
(7)建筑和生活垃圾必须随时处理,聚焦堆放。
(8)施工现场须设有茶水桶,做到有盖加锁配杯子,消毒等设备。
7.2 环境保护
(1)严格执行国家颁布的《环境保护法》,在全部施工过程中,严格控制噪音、粉尘等对周边环境的污染。
(2)设专人负责,统一管理,及时与市各级有关管理部门沟通综合治理。
(3)清理施工垃圾,严禁随意抛洒堆放,施工垃圾应及时清运,适量洒水,减少扬尘。
(4)建立水泥料场,卸运时应采取有效措施,以减少扬尘。
(5)现场在混凝土运输车、混凝土泵车清洗处设置沉淀池,废水沉淀后排入市政污水管道。
(6)施工现场使用的锅炉、茶炉、大灶必须符合环保要求,采用液化气或燃油做燃料,以减少烟尘污染。
(7)场内厕所设专人保洁,及时打药,防止蚊蝇。
(8)项目所在区域地理位置人流密集,周边紧邻居民区,机械施工时严格注意施工对居民的影响,严格控制施工噪音与施工光污染,防止出现恶性扰民事故。
(9)成立防止扰民问题工作小组,建立环保工作自我保证体系,积极和居民建立协调互助关系,定期对附近居民进行互访,及时了解情况,达成谅解。
(10)遵守市政府、市环保局夜间施工及扰民的有关文件规定。
八、应急预案
8.1 施工现场应急准备
在基坑开挖过程中,保证24小时有人值班,对其基坑变形以及周边环境变化及时掌握,对其突发问题有一个预估,为应急措施的实施提供时间保证。对于抢险人员、储备施工人员20人左右,其技术人员保持通信畅通,确保能及时到位处理突发事件。
8.2 现场救援小组成员及分工
|
序号 |
职务 |
成员 |
职责 |
|
1 |
组长 |
现场负责人 |
负责应急准备与响应总体调度协调,负责与上级部门的联络。 |
|
2 |
副组长 |
施工员 |
负责调动各项资源,组织排险与伤亡抢救。 |
|
3 |
安全员 |
负责现场联络,保护现场,维护现场秩序。 |
|
|
4 |
班组长 |
负责带领有关人员进行排险与伤亡抢救。 |
|
|
5 |
组员 |
其他施工人员 |
发现紧急情况及时报告,服从统一指挥,不破坏现场。 |
8.3 应急流程





转发
都是纸上谈兵,实际操作中,根本就实现不了,项目老板也舍不得花钱,农民工也闲耽误时间
收藏了,感谢分享