在PLC技术中,DC24V输入使用最为常见,日系和欧美系又有区别。
日系,以三菱为代表如下:

漏型输入
在输入(X)端子和[0V]端子之间连接无电压触点、或是NPN开集电极型晶体管输出, 导通时, 输入(X)为ON状态。此时,显示输入用的LED灯亮。如图:

漏型输入
源型输入
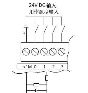
在输入(X)端子和[24V]端子之间连接无电压触点、或是PNP开集电极型晶体管输出, 导通时, 输入(X)为ON状态。此时,显示输入用的LED灯亮。如图:

源型输入
欧系,以西门子为代表如下:

SIMATIC S7 – 1500
漏型输入
在输入(I)端子和[24V]端子之间连接无电压触点、或是PNP开集电极型晶体管输出, 导通时, 输入(I)为ON状态。此时,显示输入用的LED灯亮。如图:

漏型输入
源型输入
在输入(I)端子和[0V]端子之间连接无电压触点、或是NPN开集电极型晶体管输出, 导通时, 输入(I)为ON状态。此时,显示输入用的LED灯亮。如图:

源型输入
以上两种类型的输入类型刚好相反:
日系漏型输入=欧系源型输入;
日系源型输入=欧系漏型输入。
十分奇怪吧,对于刚接触PLC的人来说,会把人搞得晕头转向。
实则最简单的就是按照输入电平高低来区别就行了,即:上图中DC24V输入为高电平,0V输入为低电平。
低电平=日系漏型输入=欧系源型;
高电平=日系源型输入=欧系漏型。
© 版权声明
文章版权归作者所有,未经允许请勿转载。






接线方式别搞混
电平高低要记牢
用高低电平确实好理解一些
不服不行👏
收藏了,感谢分享