大家好,我是李工,创作不易,希望大家多多支持我。今天给大家分享的是:RC相移振荡器,主要是关于RC相移振荡器的工作原理、参数计算设计、运算放大器相移振荡电路、FET(场效应晶体管)相移振荡器电路、BJT相移振荡器电路。
一、什么是相位和相移?
相位是 360 °条件下正弦周期波的完整周期。引入一个完整周期作为波形格式恢复其任意初始值所需的间隔。相位被称为这种波形周期格式的特定位置。如果我们访问波的正弦形式,我们可以简单地检测相位。

正弦波周期的完整形式
在上图中,给出了波浪周期的完整形式。正弦波的起始点为 0 o同相,如果我们能确定每个正负峰值和 0 段,我们将找到 90、180、270、360 度相位。因此,当正弦波开始时,它基于 0 度参考进行操作。我们将其引入为根据 0 度参考的相移微分。我们可以通过使用下一个图像来指定正弦波的移动相位如何类似。

正弦波的移动相位
在此图中,显示了两种不同的交流正弦波,基本的绿色正弦波是 360 °相位,但红色的是90°相位旋转出第一个信号的相位。这种相移可以通过采用简单的 RC 配置来应用。
二、RC 相移振荡器
相移振荡器是产生正弦波输出的线性电子振荡器。相移振荡器由输入放大器和反馈路径组成,如下图所示:

相移振荡器
这是相移振荡器的简单示意图。RC 振荡器将 R 和 C 作为反馈路径中的相移网络,反馈到输入端。RC 相移振荡器是一种反馈振荡器,其具有相移作为反馈因子。RC 表明在振荡器输出中产生相移的 R(电阻)和 C(电容)的组合。它一般用于音频范围。

RC 相移振荡器
RC 振荡器的组件是梯形形式的反相放大器(晶体管和运算放大器)、电阻和电容。反相放大器具有各种优点,例如有限增益和有限输入阻抗。放大器提供 180°的相移,相移网络也提供 180 °的相移。RC 振荡器利用两个组件提供的相移。
相移 = 180(放大器)+ 180(反馈)
相移 = 360 °
相移 = 360 ° = 0 °
因此,它有助于振荡器提供正反馈。
三、RC相移振荡器主要参数计算公式
在 RC 相移振荡器中,RC 电路放置在反馈网络中,以产生稳定的低频正弦信号,范围为几赫兹到几赫兹,如无线电频率。
在这种类型的振荡器中,放大器提供 180 °的相移。由于可持续振荡器需要 0 或 360 °的相位角,因此反馈电路的相移也必须为 180°。除了相位角,放大器和反馈增益的乘积应该等于 1。
RC 电路传递函数为:


相位角

RC 高通滤波器
根据上式,当等于 0 时,传递函数相位角为 0,当等于 0 时,相位角为 90 °。
因此,相位角可以在 0 °到 90 °之间变化,但是如何产生 180 °的相移呢?答案是级联两个 RC 电路,如图所示,由于每个电路都可以提供 90 °相移。为了使每个电路实现 90 °相移,电阻应该超级小(理论上为零)。
不过,当 R 超级小时,电路增益变为零。因此,实际上,仅由两个 RC 电路无法产生 180 °相移。如果使用三级,则每级相移为 60 °。在这种情况下,另一个问题是其他阶段的负载效应,但整体相移将是 180 °。这些阶段可以增加,即
带有运算放大器的 RC 相移振荡器电路的可能配置如上图 所示。在这些配置中,运算放大器处于反相模式以提供 180 度相移。此外,RC 电路用于在反馈网络中提供 180 度。这意味着振荡器的整体相移是 360 度。在这种情况下,电路的特定频率可以通过以下等式计算。

特定频率
其中 N 是 RC 级数。
四、RC相移振荡器采用什么运算放大器?
1、运算放大器实现 RC 相位振荡器
使用运算放大器实现 RC 相位振荡器如下图所示:

使用运算放大器实现 RC 相位振荡器
它有三个电容和四个电阻。如果我们假设电阻 R1 = R2 = R3 = R 和电容 C1 = C2 = C3 = C 的值,计算就变得容易了。振荡频率可以表明为:

振荡频率
振荡标准为:
R fb = 29. R
R fb是反馈电阻
上述条件是通过思考除负反馈电阻器之外的所有电阻等于 R 来假设的。否则,计算超级复杂。振荡频率目前可以表明为:
F o = 1/2π (R 2 R 3 (C 1 C 2 + C 1 C 3 + C 2 C 3 ) + R 1 R 3 (C 1 C 2 + C 1 C 3 ) + R 1 R 2 C 1 C 2 ) 1/2
单个运算放大器电路需要高增益(大约 30)来平衡反馈中连接的电阻和电容的梯形网络。高增益有助于它保持振荡。如果 RC 网络稳定,振荡器的增益约为 10 就足够了。
我们还可以为电路中的每个 RC 网络插入一个缓冲区,它可以防止加载并且不会干扰振荡。
2、运算放大器实现 RC 相位振荡器案例示范
对于给定的运算放大器 RC 相移振荡器,确定电路所需的 Rf 值并确定振荡频率。

运算放大器实现 RC 相位振荡器
我们知道振荡的条件表明为
A = 29
其中 A 是放大器的后级,因此是反馈网络增益,β = 1/29 = R3/Rf。
因此,Rf = 29 × R3
= 29 × 10 × 10 3
= 290 千欧姆
由于 R1 = R2 = R3 = R 和 C1 = C2 = C3 = C,
那么振荡频率为
f = 1/ (2 π RC √ 6)
= 1/ (2 π × (10 × 10 3 ) × 0.01× 10 -6 × √ 6)
= 6.5 千赫兹。
五、使用 FET(场效应晶体管)相移振荡器电路
1、使用 FET(场效应晶体管)相移振荡器电路
如下图所示:

使用 FET(场效应晶体管)相移振荡器电路
这里,Rs 和 Cs 是连接在 FET 源极端子上的电阻和电容。
FET RC 相移振荡器的振荡频率由下式给出:

FET RC 相移振荡器的振荡频率
它也可以表明为:

FET RC 相移振荡器的振荡频率
N 指定连接在反馈相位网络中的 RC 级数。2N 直接代入 6,由于 RC 级数固定为 3。在 RC 阶段 > 3 的情况下,N 的值会发生变化。
频率值可以通过改变电阻或电容的值来改变。
RC 电路的相位角可以表明为:
A = tan-1(XC/R)
- R 是电阻
- X C = 1/2√fC
- F是频率
- C是电容
单个 RC 网络产生最大 90 °的相移。但是,RC 相移振荡器需要与反馈相移至少 180 °。因此,在反馈中连接两个或两个以上的 RC 网络以产生所需的相移。
让我们讨论三个电容和两个电阻如何产生 180 °的相移。
每个 RC 网络的最小相移 = 60 °
对于 180 °,所需的 RC 网络为 180/60 = 3
因此,三个 RC 网络连接在反馈路径中以产生 180 °相移。
2、使用 FET(场效应晶体管)相移振荡器电路 电路实例
在 FET(场效应晶体管)相移振荡器中,R1 = R2 = R3 = 2M 欧姆且 C1 = C2 = C3 = 80 p 法拉。确定电路将振荡的频率。
给定: R1 = R2 = R3 = R = 2M 欧姆 = 2 x 10 6欧姆
C1 = C2 = C3 = C = 34 pF = 80 x 10 -12法拉
可以使用下式给出的公式计算振荡频率:

F o = 10 6 / (2 x 3.1415 x 2 x 10 6 x 80 x 10 -12 x 2.449)
F o = 10 6 / 2461.93
F o = 406.18 赫兹
因此,振荡频率为 406.18 Hz。
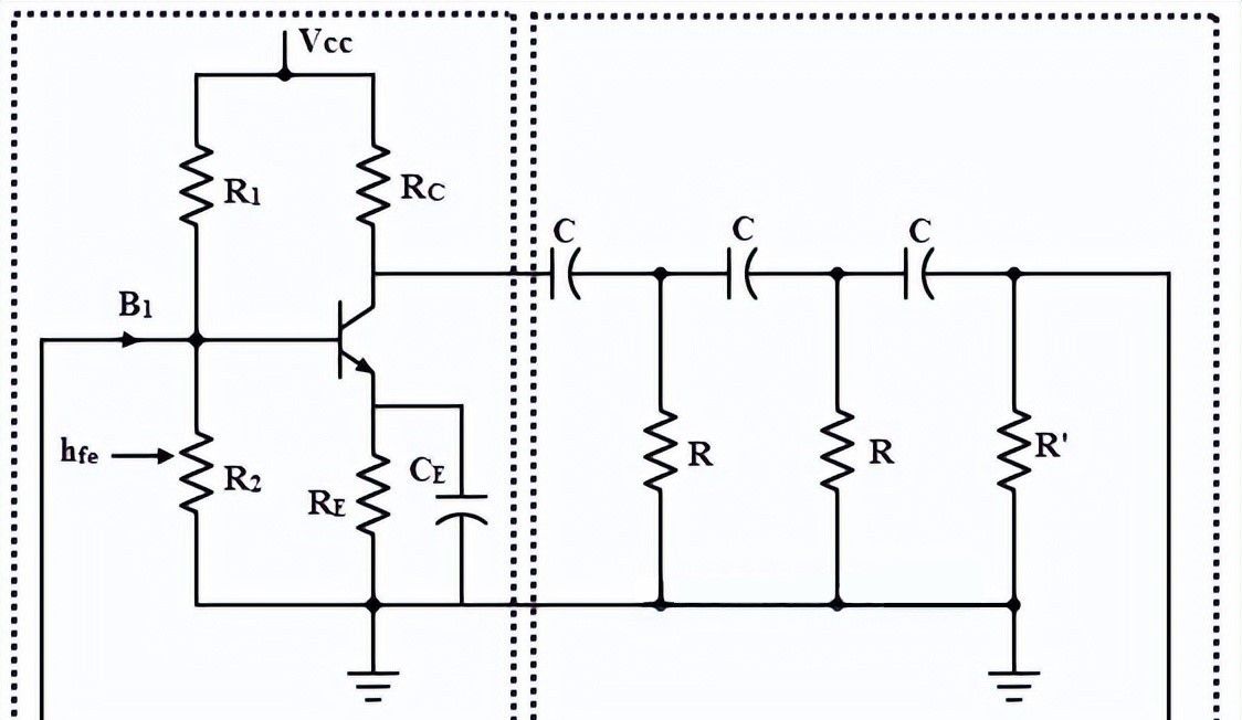
六、使用 BJT 的 RC 相移振荡器电路
1、使用 BJT 的 RC 相移振荡器电路
下图为使用BJT的 RC 移相电路的完整电路图。晶体管被认为是 RC 相移振荡器电路中放大级的有源元件。电阻 R、RC、RE、R1 和 Vcc 在上述电路中建立了一个有源区。CE 是这里的旁路电容。
这里的三个 R 部分是一样的。偏置电阻值很大,因此不会影响交流操作。RE-CE 的组合提供了可以忽略不计的阻抗,这就是为什么它对交流操作没有任何影响。集电极电阻限制晶体管集电极电流。发射器响应提高了稳定性。电容 Co 和 CE 是输出去耦电容和发射极旁路电容。

使用 BJT 的 RC 相移振荡器电路图
接通电源后,振荡开始。晶体管放大器上的小电流产生 180 °相移的电流。当信号将通过反馈作为输入提供给放大器时,又会发生 180 °的相移。当环路增益等于 1 时,将产生持续运行。如果需要改变振荡频率,则应改变 R 和 C 值,由于只有频率振荡会发生变化。
2、使用 BJT 的 RC 相移振荡器电路示例

使用 BJT 的 RC 相移振荡器电路
对于晶体管化 RC 振荡器,选择电容C 和晶体管 hfe 的值,以提供 2 KHz 振荡器频率,电阻 Rc=10KOhms,R=8KOhms
鉴于
Rc = 10 × 10 3赫兹
R = 8 × 10 3赫兹
f = 2 × 10 3赫兹
在相移振荡器中,振荡频率由下式给出
f = 1/ (2 π RC √ ((4Rc / R) + 6))
2 × 10 3 = 1/ (2 π × 8 × 10 3 C √ ((4 × 10 × 10 3 / 8 × 10 3 ) + 6))
C = 3.0 × 10 -9 F 或 0.003 µ F
晶体管增益的值由下式给出
hfe ≥ (4 Rc/R) + 23 + (29 R/Rc)
hfe ≥ (4 × 10 × 10 3 / 8 × 10 3 ) + 23 + (29 × 8 × 10 3 / 10 × 10 3 )
hfe≥51.2
因此电容值为 C = 3.0 × 10-9 F 和 hfe = 51.2。
以上就是关于RC相移振荡器的知识,希望大家多多支持我,得点赞,关注,有问题欢迎在评论区留言,大家一起讨论。

图片来源于网络

齐齐
👍
收藏了,感谢分享