目录
1. 项目背景2. 项目结构3. 系统架构 3.1 业务架构 3.2 集成架构 3.3 技术架构
4. 功能模块 4.1 仓储管理 4.1.1 来料入库 4.1.2 委外调拨 4.1.3 委外收货 4.1.4 IQC 不合格品处理 4.1.5 采购退货 4.1.6 物料上架 4.1.7 物料下架 4.1.8 生产领料 / 生产补料 4.1.9 非生产领料 4.1.10 生产退料 4.1.11 其他出库 4.1.12 其他入库 4.1.13 成品入库 4.1.14 成品发货 4.1.15 销售退货 4.1.16 盘点 4.1.17 寄售
4.2 报表管理 4.2.1 即时库存 4.2.2 出入库日志 4.2.3 库存账龄分析 4.2.4 呆滞料分析 4.2.5 收发汇总 4.2.6 历史库存查询 4.2.7 委托加工报表(视图)
4.3 看板管理
5. 数据库表6. 开发技巧
1. 项目背景
公司为了加速制造业数字化转型,与某乙方软件公司签订合同,开发Wms系统。整个项目分为二期,第一期目标是从0开发到系统成功上线,第二期目标系统改造,由于某些原因,第二期与乙方仓促结束合作,结束合作后乙方也不再参与项目开发及维护工作。且未开发完成的工作全权公司内部IT自己接盘,负责所有未完成的功能项,以及后期对接业务部门各种需求,乙方清场,不再与公司有任何业务往来。
由于项目第一期公司未在合同里注明需要源码,仅在第二期补充合同里注明需要源码,乙方也不愿意提供底层源码,导致Wms项目仅有功能性源码,系统底层封装的重要核心源码只有编译版本的dll文件(Dll代码混淆、加密),目前Wms无底层源码暂不影响开发维护,但若是有业务差异较大的情况,需要调整到底层源码时,可能无法在Wms中实现,需要借助自定义服务组件来实现。
2. 项目结构

3. 系统架构
3.1 业务架构

3.2 集成架构

3.3 技术架构
技术架构比较简单,没有用到特别复杂的技术栈,都是常见、流行的技术栈

系统架构支持多个业务数据库,数据量变得庞大后,可以考虑分库、分表。
4. 功能模块
4.1 仓储管理
4.1.1 来料入库
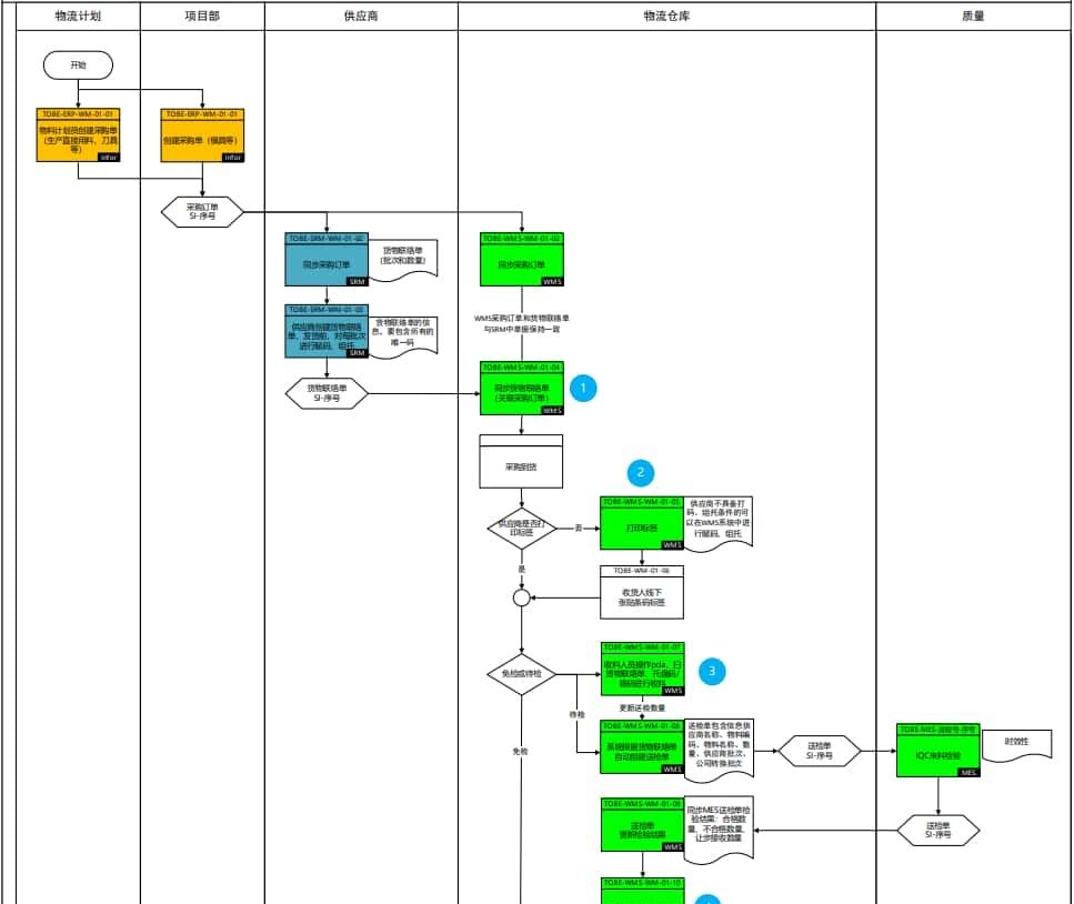
ERP 创建采购订单,同步推送 WMS 和 SRM,SRM 收到采购订单后,备货完成并创建货物联络单,同时在 SRM 上同种物料的同一批次每箱赋唯一码,生成一张条码标签,打印张贴,SRM 在创建完货物联络单并生成条码后将货物联络单和条码信息同步给 WMS。货到仓库后,仓管员进行来料入库操作。
如果为免检发料单自动执行采购入库,如果为待检物料则同步送检单给质量模块,质量反馈来料检验合格数量,按照合格数量进行采购入库,对于不合格物料,质量反馈回用申请,库管员再次做采购入库操作。

4.1.2 委外调拨
工厂需要委托外部供应商完成产品,仓库人员在收到委外调拨单后,将货物调拨到委外供应商库,委外收到货之后,同时扣减掉供应商库的用料库存。

4.1.3 委外收货
委外发料给供应商加工,供应商要将加工完的货物发到仓库,仓库做委外采购入库操作。由 ERP 创建委外采购订单,同步至 SRM 系统和 WMS 系统,供应商在 SRM 系统创建货物联络单同时在 SRM 上同种物料的同一批次生成一张条码标签,打印张贴,SRM 在创建完货物联络单并生成条码后将货物联络单和条码信息同步给 WMS。货到仓库后,仓管员进行来料入库操作。
如果为免检发料单自动执行采购入库,如果为待检物料则同步送检单给质量模块,质量反馈来料检验合格数量,按照合格数量进行采购入库,对于不合格物料,质量反馈回用申请,库管员再次做采购入库操作。

4.1.4 IQC 不合格品处理
MES 做完来料检验后,将检验结果通过接口回传给 WMS 送检单,WMS 送检单记录对应数据。对于合格的数量,做来料入库操作。对于不合格数量,质量做出判断,返工返修、让步接收或者退供应商。返工返修合格的或者挑选让步接收的,在 WMS 系统中继续做来料入库的操作;经过返工返修、让步接收后,还存在问题的物料,直接退回给供应商。

4.1.5 采购退货
已经完成采购入库的物料,被重新发现定义为废料的,需要走采购退货流程。

4.1.6 物料上架
根据 WMS 系统的上架策略推荐库位,只做推荐不做强制使用,扫描托盘码(托盘上任一标签号找虚拟托盘)和货位进行绑定,方便在取货时,库管快速锁定物料的位置。

4.1.7 物料下架
根据 WMS 系统中的拣货下架指令,扫描物料条码进行下架。

4.1.8 生产领料 / 生产补料
计划员根据计划创建领料单,仓库在收到领料单后,执行备料出库操作。

4.1.9 非生产领料
除去生产领料的场景,其余一些非生产情况下的领料,需要走非生产领料流程。

4.1.10 生产退料
已经领出库的物料,产线如果没用完走生产退料流程。由 MES 创建退料作业单,WMS 系统做生成条码、条码上架处理,同时将退料结果回传给 ERP。

4.1.11 其他出库
使用其他出库调整库存

4.1.12 其他入库
使用其他入库调整库存。

4.1.13 成品入库
车间生产完成后,质量完成质检 FQC,扫码产品单件码,将产品入到成品库,同步账务信息。

4.1.14 成品发货
销售发货时,需要在Info(SAP)创建销售发货单,库管员根据销售发货单创建销售出库单,执行出库。

4.1.15 销售退货
已经发给客户的成品或部品,需要退货处理流程。

4.1.16 盘点
定期对库存进行盘点,需要将仓库的物料进行冻结(不允许出入库),执行静态盘点,盘点完成后,对物料的账务信息进行调整。

4.1.17 寄售
供应商将物料发货,磐吉奥收到货后放置在寄售货位,WMS 入库后回传给 ERP,此时 ERP 不做到货。在仓库领料拣货结束回传 ERP 后,ERP 将账从寄售货位移动到磐吉奥仓库,此时 ERP 做到货。

4.2 报表管理
4.2.1 即时库存
统计系统各个仓库的实时库存,记录库存的主体信息(物料编码、名称、数量、库存状态、所在仓库、所在库位等),可以根据物料编码、物料名称、条码、批号等查询条件进行筛选。可以导出。

4.2.2 出入库日志
记录系统所有的出入库操作,可以根据物料编码、物料名称、条码、批号等查询条件进行筛选。可以导出。

4.2.3 库存账龄分析
记录库存入库时间,可以设置筛选条件,不满足条件的库存将标红,可以导出。

4.2.4 呆滞料分析
呆滞料分析,统计物料在多少天内未进未出或只进未出。

4.2.5 收发汇总
记录各物料期初数量、期末数量、入库数量、出库数量、当前库存数量汇总以及明细。可以导出。

4.2.6 历史库存查询
可以查询历史某一日期的库存数量。可以导出。

4.2.7 委托加工报表(视图)
提供委外加工数据明细,包括:委外加工件物料编码、物料名称、数量;委外加工件费用编码、名
称、数量;委外发料物料编码、物料名称、数量
4.3 看板管理

5. 数据库表






